| Quantité: | |
|---|---|
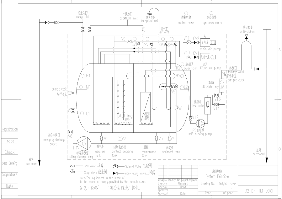
- Performances STP
1) Capacité des eaux usées éliminées :
a) Eaux noires : excréments et urines des toilettes
b) Eaux grises : eaux usées de la cuisine et de la salle de bain
2) Il peut être développé en un système de recyclage des eaux usées
-Certification :
MED, CCS, LR, GL, BV, etc. -


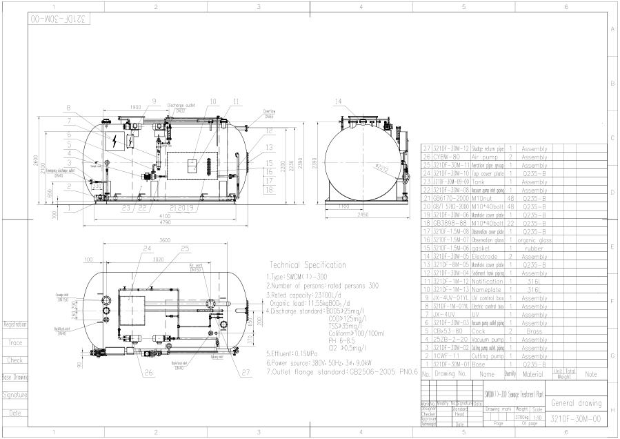
Données techniques de la station d'épuration MBR
| Modèle | SWCM- | ||||||||||||||||||||||||||||||
| 15 | 20 | 25 | 30 | 40 | 50 | 60 | 80 | 100 | 120 | 150 | 200 | 250 | 300 | 400 | |||||||||||||||||
| Charger | Charge moyenne (L/j) | 1190 | 1540 | 1890 | 2310 | 3080 | 3780 | 4480 | 6020 | 7700 | 9100 | 11200 | 14700 | 18200 | 23100 | 30800 | |||||||||||||||
| Charge de pointe (L/h) | 149 | 193 | 237 | 289 | 385 | 473 | 560 | 753 | 963 | 1138 | 1400 | 1838 | 2275 | 2888 | 3850 | ||||||||||||||||
| Charge organique (kgDBO5/j) | 0.595 | 0.77 | 0.945 | 1.155 | 1.54 | 1.89 | 2.24 | 3.01 | 3.85 | 4.55 | 5.6 | 7.35 | 9.1 | 11.55 | 15.4 | ||||||||||||||||
| Capacité nominale (hommes) | 15 | 20 | 25 | 30 | 40 | 50 | 60 | 80 | 100 | 120 | 150 | 200 | 250 | 300 | 400 | ||||||||||||||||
| Capacité maximale (hommes) | 17 | 22 | 27 | 33 | 44 | 54 | 64 | 86 | 110 | 130 | 160 | 210 | 260 | 330 | 440 | ||||||||||||||||
| Électricité | CA 380 V/50 Hz/3φ, CA 415 V/50 Hz/3φ, CA 440/60 Hz/3φ | ||||||||||||||||||||||||||||||
| Puissance (kW) | 2.5 | 2.5 | 2.5 | 2.5 | 3.0 | 3.0 | 3.5 | 4.0 | 4.0 | 4.0 | 6.0 | 6.0 | 7.0 | 9.0 | 11 | ||||||||||||||||
| Dimension extérieure (mm) L×L×H | 1870 × 1200 × 1400 | 1745 × 1400 × 1525 | 1935 × 1400 × 1560 | 1985 × 1500 × 1650 | 2400 × 1600 × 1700 | 2410 × 1700 × 1850 | 2670 × 1700 × 1850 | 2780 × 1900 × 2050 | 2795 × 2000 × 2200 | 3000 × 2000 × 2200 | 3050 × 2200 × 2300 | 3600 × 2200 × 2350 | 3880 × 2400 × 2570 | 4750 × 2400 × 2570 | 5950 × 2400 × 2570 | ||||||||||||||||
| Poids | Poids sec (kg) | 1000 | 1000 | 1200 | 1200 | 1300 | 1450 | 1600 | 1850 | 2200 | 2300 | 2800 | 3000 | 3300 | 3700 | 4200 | |||||||||||||||
| Poids humide (kg) | 2283 | 2640 | 2740 | 3500 | 4400 | 5073 | 5270 | 6517 | 8268 | 9166 | 11340 | 13267 | 16538 | 20357 | 25417 | ||||||||||||||||
| Norme d'effluent | DBO5≤25mg/L, DCO≤125mg/L, TSS≤35mg/L, coliformes≤100/100ml, PH6~8,5, CL 2≤0,5mg/ | ||||||||||||||||||||||||||||||
- Performances STP
1) Capacité des eaux usées éliminées :
a) Eaux noires : excréments et urines des toilettes
b) Eaux grises : eaux usées de la cuisine et de la salle de bain
2) Il peut être développé en un système de recyclage des eaux usées
-Certification :
MED, CCS, LR, GL, BV, etc. -


Données techniques de la station d'épuration MBR
| Modèle | SWCM- | ||||||||||||||||||||||||||||||
| 15 | 20 | 25 | 30 | 40 | 50 | 60 | 80 | 100 | 120 | 150 | 200 | 250 | 300 | 400 | |||||||||||||||||
| Charger | Charge moyenne (L/j) | 1190 | 1540 | 1890 | 2310 | 3080 | 3780 | 4480 | 6020 | 7700 | 9100 | 11200 | 14700 | 18200 | 23100 | 30800 | |||||||||||||||
| Charge de pointe (L/h) | 149 | 193 | 237 | 289 | 385 | 473 | 560 | 753 | 963 | 1138 | 1400 | 1838 | 2275 | 2888 | 3850 | ||||||||||||||||
| Charge organique (kgDBO5/j) | 0.595 | 0.77 | 0.945 | 1.155 | 1.54 | 1.89 | 2.24 | 3.01 | 3.85 | 4.55 | 5.6 | 7.35 | 9.1 | 11.55 | 15.4 | ||||||||||||||||
| Capacité nominale (hommes) | 15 | 20 | 25 | 30 | 40 | 50 | 60 | 80 | 100 | 120 | 150 | 200 | 250 | 300 | 400 | ||||||||||||||||
| Capacité maximale (hommes) | 17 | 22 | 27 | 33 | 44 | 54 | 64 | 86 | 110 | 130 | 160 | 210 | 260 | 330 | 440 | ||||||||||||||||
| Électricité | CA 380 V/50 Hz/3φ, CA 415 V/50 Hz/3φ, CA 440/60 Hz/3φ | ||||||||||||||||||||||||||||||
| Puissance (kW) | 2.5 | 2.5 | 2.5 | 2.5 | 3.0 | 3.0 | 3.5 | 4.0 | 4.0 | 4.0 | 6.0 | 6.0 | 7.0 | 9.0 | 11 | ||||||||||||||||
| Dimension extérieure (mm) L×L×H | 1870 × 1200 × 1400 | 1745 × 1400 × 1525 | 1935 × 1400 × 1560 | 1985 × 1500 × 1650 | 2400 × 1600 × 1700 | 2410 × 1700 × 1850 | 2670 × 1700 × 1850 | 2780 × 1900 × 2050 | 2795 × 2000 × 2200 | 3000 × 2000 × 2200 | 3050 × 2200 × 2300 | 3600 × 2200 × 2350 | 3880 × 2400 × 2570 | 4750 × 2400 × 2570 | 5950 × 2400 × 2570 | ||||||||||||||||
| Poids | Poids sec (kg) | 1000 | 1000 | 1200 | 1200 | 1300 | 1450 | 1600 | 1850 | 2200 | 2300 | 2800 | 3000 | 3300 | 3700 | 4200 | |||||||||||||||
| Poids humide (kg) | 2283 | 2640 | 2740 | 3500 | 4400 | 5073 | 5270 | 6517 | 8268 | 9166 | 11340 | 13267 | 16538 | 20357 | 25417 | ||||||||||||||||
| Norme d'effluent | DBO5≤25mg/L, DCO≤125mg/L, TSS≤35mg/L, coliformes≤100/100ml, PH6~8,5, CL 2≤0,5mg/ | ||||||||||||||||||||||||||||||